Planos eléctricos
Te acompañamos con soluciones de ingeniería de alta calidad
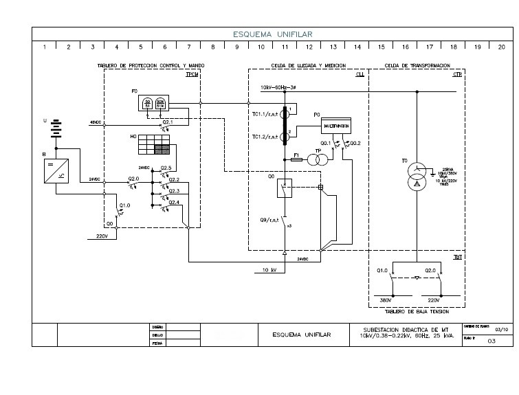
Un plano eléctrico es una representación gráfica detallada de un sistema eléctrico. Es como un mapa que muestra la ubicación exacta de todos los componentes eléctricos, desde los cables hasta los dispositivos, dentro de un edificio, una instalación industrial o cualquier otro espacio. Son documentos técnicos que detallan la distribución de circuitos eléctricos, esquemas de conexión y especificaciones de componentes para garantizar una instalación segura y eficiente.
Hagamos confiable tu sistema eléctrico, elige cómo empezar:
Normativas
Reglamento Nacional de Edificaciones (RNE)
Es la norma técnica de cumplimiento obligatorio en el Perú. Su objetivo principal es garantizar la seguridad estructural, la salubridad, la accesibilidad y la calidad de vida de los ocupantes de los edificios, así como la protección del medio ambiente. Asimismo, es el único marco normativo que establece los criterios y requisitos mínimos de calidad para el diseño, producción y conservación de las edificaciones y habilitaciones urbanas. Abarca aspectos relacionados a la construcción, incluyendo seguridad estructural, protección contra incendios, instalaciones eléctricas, instalaciones sanitarias y otros.
Ley de concesiones eléctricas y su reglamento
Este marco legal regula la inversión, desarrollo y operación de proyectos eléctricos en Perú, promoviendo la participación del sector privado en la generación y distribución de electricidad. La ley busca fomentar la competencia, la transparencia y la sostenibilidad en el sector eléctrico, garantizando un servicio de calidad para los consumidores.
Norma Técnica Peruana (NTP)
La NTP establece estándares específicos para garantizar la seguridad y la calidad en las instalaciones eléctricas. Abarca aspectos fundamentales como la selección de materiales, el diseño de circuitos y la ejecución de trabajos eléctricos. Su cumplimiento es esencial para prevenir accidentes y asegurar la eficiencia energética en todo tipo de edificaciones.
Ley de calidad eléctrica
La Ley de Calidad Eléctrica establece estándares que buscan proteger a los usuarios del suministro eléctrico deficiente. Se enfoca en asegurar que la energía proporcionada cumpla con parámetros de calidad en términos de voltaje, frecuencia y continuidad del servicio. Esta normativa es fundamental para mantener la satisfacción del usuario y la integridad de los equipos conectados a la red.
Código Nacional de Electricidad Utilización 2006
Este código regula de manera integral la instalación y el uso de sistemas eléctricos en edificaciones. Se centra en la seguridad de las personas y la protección de bienes, estableciendo requisitos sobre el diseño, la instalación y el mantenimiento de las instalaciones eléctricas. Busca fomentar buenas prácticas que aseguren un funcionamiento óptimo y seguro de los sistemas eléctricos.
NFPA70 - National Electrical Code (NEC)
Este código, originario de EE. UU., es una referencia esencial en muchas normativas internacionales. Establece criterios de seguridad para el diseño e instalación de sistemas eléctricos, abarcando desde cables y protecciones hasta la instalación de equipos eléctricos. Su implementación contribuye a la reducción de riesgos asociados a la electricidad y promueve prácticas seguras en la industria.
Código Nacional de Electricidad Suministro (2011)
Esta normativa define las condiciones técnicas y administrativas para la conexión y operación de redes eléctricas. Regula aspectos como el suministro de energía, los derechos y obligaciones de los usuarios y empresas, y establece criterios de calidad en la entrega de energía eléctrica. Su objetivo es asegurar un suministro continuo, confiable y eficiente para todos los usuarios.
IEC - International Electrotechnical Commision
La IEC es una organización internacional que desarrolla y publica normas que abarcan todas las tecnologías eléctricas y electrónicas. Sus normativas buscan promover la cooperación global y la estandarización en la industria eléctrica, facilitando el comercio internacional y asegurando un alto nivel de seguridad y eficiencia en el uso de la electricidad a nivel mundial.

Aplicaciones
Proceso de trabajo

Aspectos claves de los Planos eléctricos
¿Cuál es la importancia de los planos eléctricos?
Los planos eléctricos son cruciales para la correcta instalación y mantenimiento de sistemas eléctricos. Proporcionan una representación visual clara de la infraestructura eléctrica, incluyendo la ubicación de los equipos, el cableado y las conexiones, lo que facilita la comprensión del sistema por parte de técnicos e ingenieros.
¿Cómo reducir costos con los planos eléctricos?
Esto reduce costos al minimizar errores de instalación y la necesidad de modificaciones o ajustes posteriores, así como el tiempo de operación de los equipos en instalaciones bien planificadas.
¿Qué beneficios tiene una buena elaboración de planos eléctricos?
Una buena elaboración de planos eléctricos facilita la construcción y mantenimiento, asegurando que todos los elementos del sistema estén claramente definidos. Esto optimiza tiempos de ejecución y mejora la precisión en la instalación.
¿Por qué es fundamental realizar actualizaciones a planos eléctricos?
Contar con planos eléctricos actualizados es fundamental porque garantizan que todas las instalaciones cumplan con las normativas y estándares de seguridad. Además, ayudan a prevenir errores durante la instalación y el mantenimiento, minimizando el riesgo de fallos eléctricos y accidentes.



Tipos de Planos eléctricos

Según su nivel de tensión
Subestaciones de Alta Tensión (AT): Operan a tensiones superiores a 100 kV. Utilizadas para la transmisión de grandes cantidades de energía a largas distancias.
Subestaciones de Media Tensión (MT): Operan en un rango de tensión entre 1 kV y 100 kV. Utilizadas para la distribución de energía eléctrica a grandes consumidores industriales y comerciales.
Subestaciones de Baja Tensión (BT): Operan a tensiones inferiores a 1 kV. Utilizadas para la distribución final de energía a los consumidores residenciales e industriales pequeños.
Peligros comunes
Falta de actualización de planos: No mantener los planos actualizados después de realizar modificaciones en la instalación.
Errores en las simbologías: Uso incorrecto de símbolos eléctricos en los planos, lo que puede llevar a malentendidos.
Dimensionamiento incorrecto de circuitos: No calcular adecuadamente la capacidad de los circuitos eléctricos.
Riesgos comunes
Puede llevar a confusiones durante las operaciones y el mantenimiento, aumentando el riesgo de errores y accidentes.
Puede provocar la instalación incorrecta de equipos, lo que pone en riesgo la seguridad y la funcionalidad del sistema.
Puede causar sobrecargas, resultando en fallos en el equipo o incluso incendios.
Posible consecuencia
La falta de información precisa puede resultar en decisiones incorrectas durante la instalación o el mantenimiento, lo que podría comprometer la seguridad y la funcionalidad del sistema eléctrico.
La instalación incorrecta de equipos puede resultar en fallos operativos, riesgos de electrocución o daños a los equipos, aumentando el costo de reparación y generando tiempo de inactividad.
La sobrecarga en los circuitos puede llevar a fallos catastróficos en el sistema eléctrico, poniendo en riesgo la seguridad de las instalaciones y de las personas.
Recomendaciones
Implementar un procedimiento para revisar y actualizar los planos cada vez que se realicen cambios en la instalación, asegurando que la documentación refleje fielmente el estado actual del sistema.
Utilizar un estándar reconocido de simbología y verificar la correcta representación antes de la entrega del plano, garantizando que todos los involucrados comprendan la información de manera uniforme.
Realizar un correcto dimensionamiento, considerar factores relevantes como la carga, tipo de instalación y condiciones ambientales, para asegurar un diseño seguro y eficiente.
WESLER
Especialistas en proyectos eléctricos y eléctromecánicos













